【問題】(pdfファイル)
ダウンロードして使用してください。問題と解答
問題1
以下の文は,同期発電機の電機子反作用の影響について述べたものである。( )内で正しい語句をそれぞ れ選べ。
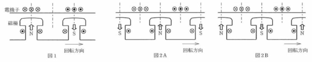
- 図1のとき,力率1であり,電機子電流の磁束が(右)側では界磁電流の磁束を減少させ,反対側では増 加させる交差磁化作用が生じる。
- 図2Aのとき,(遅れ)力率であり,(減磁)作用となる。
- 図2Bのとき,(進み)力率であり,(増磁)作用となる。
- 自己励磁現象とは,(進み)力率による(増磁)作用により端子電圧が(大きく)なる 現象である。
問題2
水車発電機,タービン発電機が同期機である場合,以下の表を完成させよ。| 水車発電機 | タービン発電機 | |
| 回転子 | 突極形(鉄機械) | 円筒形(銅機械) |
| 短絡比 | 大きい | 小さい |
| 同期インピーダンス | 小さい | 大きい |
| 電機子反作用 | 小さい | 大きい |
| 電圧変動率 | 小さい | 大きい |
| 過負荷耐量 | 大きい | 小さい |
| 冷却方式 | 空気冷却 | 水素、水冷却 |
問題3
同期電動機について,以下の問いに答えよ。 (1)同期電動機の始動トルクと始動方法について説明せよ。始動トルクは小さい 制動巻線を用いてかご形誘導電動機と同じ原理で始動
(2)力率が1の状態で,界磁電流を増加させると,以下の①~③はどのように変化するか,答えよ。 ①電機子電流 ②力率 ③電機子反作用①大きくなる ②進み ③減磁
(3)同期電動機のトルクTと,負荷角δとの関係を答えよ。P=VlEl/xs*sinδ Tはδの正弦に比例する
問題4
極数12,回転速度500[min-1],1相あたりのコイルの全巻数110,1極あたりの有効磁束0.26[Wb]の三相同期発電機がある。 この発電機の無負荷端子電圧[V]を求めよ。ただし,巻線係数が0.95とし,電機子巻線は星形 結線とする。E=4.44fwΦk Ns=120f/p E=4.44*50*110*0.26*0.95=6032[V] 線間
同期発電機の並行運転について,以下の問いに答えよ。 (1)2台の同期発電機を並行運転させるために一致させなければならない3条件を答えよ。ただし,相回転は合っているものとする。・周波数 ・電圧の大きさ ・位相
(2)回転速度 900[min-1]で運転している極数8の同期発電機がある。いま,この発電機に極数6の同期発電 機を並行運転させたい。極数6の同期発電機の回転速度[min-1]をいくらにすればよいか。Ns=120f/p 900=120f/8 f=60[Hz]
Ns'=120f/p =120*60/6 =1200[min-1]
問題6
定格出力10000[kV・A],定格電圧6600[V],定格力率90%の三相同期発電機がある。 この発電機に界磁電流を400[A]流したときの無負荷端子電圧は6600[V],短絡電流は1050[A]であった。このとき,以下の値を求めよ。- 定格電機子電流に等しい三相短絡電流を流すために必要な界磁電流 P=√3VI 10000*10^3=√3*6600In In=875[A]If1=400*875/1050=333[A]
- 同期インピーダンス Zs=Vn/√3Is =6600/√3*1050 =3.63[Ω]
- 短絡比 ks=Is/In=1050/875=1.2
- 百分率同期インピーダンス
問題7
定格出力5000[kV・A],定格電圧6600[V],定格力率が0.80(遅れ),同期リアクタンス7.26[Ω]の三相同期発電機がある。 このとき,以下の値を求めよ。ただし,電機子回路抵抗は無視するものとする。- 定格負荷時の内部相差角(負荷角)をδとしたときのtanδ
E/√3-jxsI=V/√3 E/√3=V/√3+jxsI
Pn=√3VIn 5000*10^3=√3*6600In In=437.4[A] xI=3176
tanδ=2541/(3811+1906) =0.444
- 定格負荷時の誘導起電力E(線間)
E/√3=√5717^2+2541^2 =6256 E=10835[V]
- 電圧変動率
ε=(Vo-Vn)/Vn =(10835-6600)/6600 =64.2%
問題8
6極,定格周波数60Hz,定格端子電圧440V,定格出力50[kW],短絡比1.1で,電機子巻線がY結線の円筒形三相同期電動機がある。 いま,この電動機を定格状態,力率1.0で50[kW]の出力で使用していた。ただし, 電機子抵抗は無視できるものとする。 (1)内部誘導起電力(線間)[V]を求めよ。Ns=120f/p=120*60/6=1200[min-1]
Pn=√3VnIncosθ 50*10^3=√3*440In*1 In=65.6[A]
ks=Is/In 1.1=Is/65.6 Is=72.16[A]
xsIs=V/√3 xs=V/√3Is =440/√372.16=3.52[Ω]
V/√3-jxsI=E/√3 V/√3=E/√3+jxsI (440/√3)^2+231^2=(E/√3)^2 E=594[V]
(2)この状態から負荷が変化して内部位相差角が60°になったとき,同期電動機のトルク[N・m]を求めよ。 ただし,端子電圧および界磁電流は変わらないものとする。sinδ=231/343=0.673
P=ElVl/xs*sinδ
50/P'=0.673/sin60° P'=64.3[kW]
P=ωT 64.3=2π1200/60T T=0.512[kN・m]
問題9
定格出力150kW,定格電圧3000Vの三相同期電動機があり,1相の抵抗および同期リアクタンスはそれぞれ2Ωおよび12Ωである。 この電動機が定格出力で,力率100%にて運転しているときの効率は92%である。このとき,1相あたりの誘導起電力[V]の大きさを求めよ。η=出力/入力 0.92=150/入力 入力=163[kW]
P入=√3VnIn*cosθ 163*10^3=√3*3000In*1 In=31.4[A]
V/√3-jxsI-raI=E/√3 E/√3=√1669^2+376.8^2 =1711[V]
<おすすめ記事> 電験3種 機械のおすすめの勉強先リンク




